This guide will help you comprehend the importance of maintaining optimal cabin pressure, ensuring a safe and comfortable flight experience. ECAM (Electronic Centralized Aircraft Monitoring) plays a vital role in displaying cabin pressure warnings.
When a pressurization warning occurs, it indicates a potential issue with the outflow valve or other pressurization components. Flight crew must respond promptly to ensure safety.
Common alerts may include an aural warning and an amber display on the ECAM. It is critical to monitor cabin altitude and cabin vertical speed during this time.
The controller manages differential pressure to maintain a comfortable environment. If the valve is not fully closed, it can lead to low pressure situations.
In such cases, the crew may need to take manual action by using the pushbutton to override automatic controls. Flight documentation is essential for understanding configuration limitations and maintenance procedures.
To ensure safety, oxygen masks should be readily available in case of a cabin pressure failure. Familiarizing yourself with the A320 ECAMcab press page is a critical step for any A320 family operator.
In summary, the A320 ECAM pressurization warning system is a key component of the aircraft’s safety protocols. By staying informed and prepared, flight crews can effectively manage cabin pressure warnings and ensure a successful flight. Let’s get a bit deeper.
Cabin Pressurization Overview
Importance of Cabin Pressurization
Cabin pressurization is a vital component of modern air travel, particularly in aircraft like the Airbus A320. It ensures that passengers and crew remain safe and comfortable at high altitudes, where the outside air pressure is significantly lower. Without proper pressurization, the cabin pressure can drop, leading to potential health risks and discomfort. The A320’s sophisticated system, centered on its outflow valve and safety valves, automatically modulates airflow to maintain optimal cabin pressure throughout the flight. This continuous regulation provides a stable and comfortable environment for all occupants.
Cabin Altitude and Its Effects
Cabin altitude refers to the effective altitude felt inside the aircraft, which is crucial for passenger comfort. As the aircraft ascends, the cabin altitude increases but remains significantly lower than the actual flight altitude. This differential pressure ensures that passengers do not experience the adverse effects of high altitude, such as hypoxia. If the cabin altitude reaches unsafe levels, the A320’s ECAM system will issue warnings, prompting the flight crew to take corrective actions to maintain safety.
Differential Pressure Explained
Differential pressure (ΔP) is the difference between the pressure inside the cabin and the outside atmospheric pressure. Maintaining an appropriate differential pressure is essential for both structural integrity and passenger comfort. The A320’s pressurization system, through its dual Cabin Pressure Controllers (CPCs) and outflow valve, continuously adjusts ΔP to remain within safe limits. An ECAM pressure warning will alert the crew if the differential pressure approaches operational limitations, prompting timely corrective action. Understanding this balance is key to ensuring a smooth and safe flight.
A320 Basics, Limitations & SOPs
Complete A320 study guide by an Airbus pilot & instructor. Clear systems, logic & SOPs.
PDF • 365 pages • Lifetime updates
A320 ECAM System
Understanding ECAM and Its Functionality
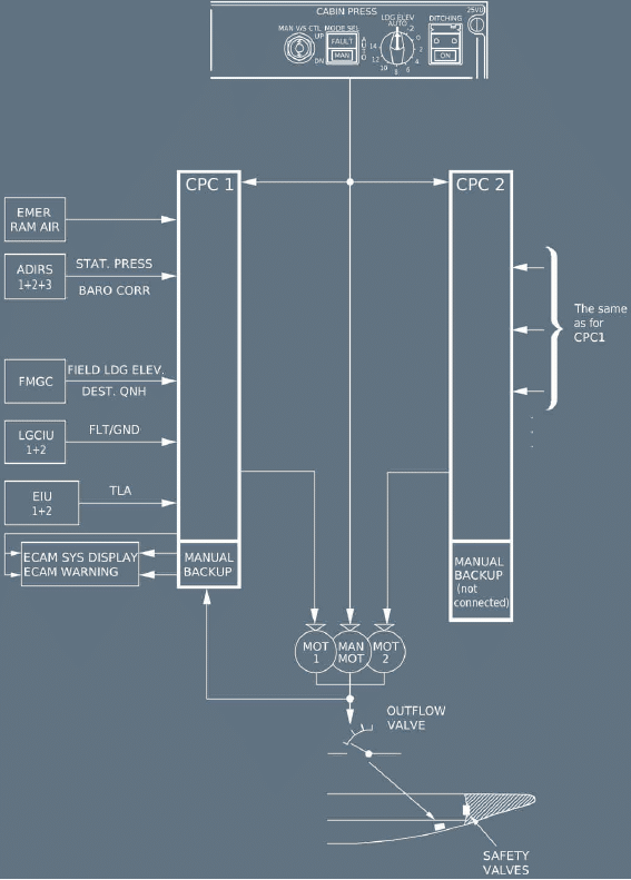
Welcome to the heart of the Airbus A320, where technology meets safety. The Electronic Centralized Aircraft Monitoring (ECAM) system is pivotal in ensuring the aircraft’s cabin pressurization remains within safe parameters. The Cabin Pressure Controllers (CPCs) play a crucial role by feeding cabin altitude and differential pressure signals directly into ECAM. This sophisticated system continuously monitors these vital parameters, issuing visual and aural warnings if they exceed safe limits. During a pressurization failure, the System Display (SD) automatically shows the CAB PRESS page, offering immediate insights. The E/WD (Engine/Warning Display) highlights warnings in red or amber, ensuring the flight crew can quickly assess the situation. Even when selected manually, the SD pushbutton lights up, providing easy access to information.
ECAM Cab Press Page Details
Let’s dive deeper into the ECAM Cab Press page, a crucial tool for maintaining optimal cabin conditions. This page presents a digital display of several important parameters:
| Parameter | Description |
|---|---|
| Cabin Altitude | Ensures the crew can monitor and manage cabin altitude effectively. |
| Cabin Vertical Speed | Measured in ft/min, allowing for precise control over ascent and descent rates. |
| Differential Pressure (ΔP) | Essential for maintaining structural integrity and comfort. |
| Active System (SYS 1/2) | Indicated for a comprehensive overview of system status. |
| Safety Valve Positions | Clearly indicated for safety monitoring. |
| Outflow Valve Position | Displayed to ensure it operates correctly to maintain cabin pressure. |

Common ECAM Alerts Related to Pressurization
In the dynamic world of aviation, understanding ECAM alerts related to pressurization is key for any flight crew. Here are some critical alerts that require attention:
- CAB PR EXCESS CAB ALT: Warns that cabin altitude or rate of climb is uncontrollable, requiring immediate action.
- CAB PR SYS 1+2 FAULT: Indicates a complete loss of automatic pressure control, a critical situation demanding swift resolution.
- CAB PR SYS 1 (or 2) FAULT: Issued when one Cabin Pressure Controller fails, ensuring the crew is aware of the problem.
- CAB PR EXCESS CAB V/S: Signals a high cabin climb or descent rate, exceeding 1,750 ft/min, which needs to be addressed to maintain passenger comfort and safety.
- CAB PR EXCESS RESIDUAL PR: Warns of lingering pressure after landing, ensuring the crew takes necessary actions to normalize cabin conditions.
Pressurization Warnings and Alerts
Types of Warnings and Their Meanings
Welcome to the core of understanding A320 pressurization warnings, where knowledge meets preparedness. In the Airbus A320, various warning levels are in place to ensure flight safety. A Red Warning, such as CAB PR EXCESS CAB ALT and CAB PR SYS 1+2 FAULT, signals a critical issue requiring immediate attention. Amber Cautions, like CAB PR SYS 1 (or 2) FAULT and CAB PR EXCESS CAB V/S, indicate less urgent yet significant issues. Each warning, whether red or amber, is designed to alert the crew, ensuring timely response to maintain optimal cabin pressure conditions.
Outflow Valve Position and Its Impact
The outflow valve position plays a pivotal role in maintaining proper cabin pressure in the A320. In automatic mode, the active Cabin Pressure Controller (CPC) transmits valve position and pressure data to ECAM, ensuring seamless automatic control. If manual mode is required, the backup section of CPC 1 continues to provide ECAM indications such as cabin altitude and differential pressure (ΔP). This redundancy ensures the pressurization system continues to function effectively, even during automatic system failures, preserving passenger safety and comfort.

Cabin Vertical Speed During Alerts
Cabin vertical speed is a critical parameter monitored closely during flight. When the cabin vertical speed exceeds 1,750 ft/min, the indication flashes to alert the crew, underscoring the need for immediate corrective action. This feature is particularly vital during alerts like CAB PR EXCESS CAB ALT, where maintaining a controlled cabin altitude is essential. The indication steadies when the speed drops below 1,650 ft/min, signaling a return to safe conditions. This vigilant monitoring ensures that the cabin environment remains stable, safeguarding passenger well-being.
Responses to Pressurization Warnings
Immediate Actions for Pilots
When faced with pressurization warnings, pilots must act swiftly to ensure safety. The following actions are crucial depending on the type of alert:
- For a CAB PR EXCESS CAB ALT alert:
- Don oxygen masks.
- Establish crew communications.
- Apply the [MEM] EMERGENCY DESCENT procedure without delay.
- In the event of a CAB PR SYS 1+2 FAULT:
- Select MODE SEL = MAN.
- Adjust the MAN V/S CTL switch to control cabin vertical speed and maintain ΔP within limits.
- For CAB PR EXCESS RESIDUAL PRESSURE:
- Verify that ΔP = 0 before opening any aircraft doors to avoid potential hazards.
These actions are designed to mitigate pressurization risks and preserve structural and occupant safety.
Understanding Landing Elevation Settings
The landing elevation settings on the Airbus A320 are integral to achieving a smooth and safe descent. The LDG ELEV knob allows pilots to select the landing field elevation, a crucial step if FMGS data is unavailable. By manually setting the correct landing elevation, the crew ensures that the aircraft’s pressurization system adjusts appropriately for the destination’s altitude. This prevents unnecessary pressure fluctuations, enhancing passenger comfort and operational efficiency. Understanding and utilizing these settings are vital components of effective flight management.
Mode Changes and Their Importance
In Airbus A320 operations, mode changes play a vital role in managing pressurization manually when required. When the MODE SEL switch is set to MAN, ECAM displays a memo indicating that the system is under manual control. The crew must then actively manage the cabin pressure using the MAN V/S CTL switch. If operating in MAN mode during approach, pilots should set the MAN V/S CTL to FULL UP before landing to ensure the cabin is fully depressurized. This step prevents residual pressure before door opening or evacuation, particularly when a CAB PR SYS 1+2 FAULT is present. Understanding these mode transitions is essential for smooth, safe pressurization management.
A320 ECAM Pressurization Warning – Frequently Asked Questions
What does the A320 ECAM pressurization warning mean?
The A320 ECAM pressurization warning indicates a problem in maintaining or controlling the cabin pressure. It usually appears when the cabin altitude rises beyond safe limits or when a component of the pressurization system—such as a controller, valve, or sensor—fails. The ECAM displays specific messages to guide the flight crew’s response.
What are the common causes of pressurization warnings on the A320?
Common causes include a malfunctioning outflow valve, failure of a Cabin Pressure Controller (CPC), incorrect manual control settings, or a bleed air system fault. In some cases, switching between automatic and manual pressurization modes can trigger temporary alerts.
How should pilots respond to a pressurization warning on the ECAM?
When the A320 ECAM displays a pressurization warning, pilots should follow ECAM procedures: monitor cabin altitude, check the pressurization mode, and if necessary, manually control the system using the outflow valve switch. If cabin altitude continues to rise, crews must don oxygen masks and begin a controlled descent per the Quick Reference Handbook (QRH).
Can the A320 pressurization system be operated manually if the ECAM warning persists?
Yes. The Airbus A320 pressurization system allows manual operation via the pressurization control panel. When a fault occurs in the automatic mode, pilots can switch to manual and adjust the outflow valve manually to control cabin pressure, ensuring safety and system redundancy.
What ECAM messages are related to A320 pressurization issues?
Typical ECAM messages include: CAB PR EXCESS CAB ALT (Excess cabin altitude), CAB PR SYS 1(2) FAULT (Controller fault), and CAB PR AUTO FLT MODE FAULT (Auto flight mode issue). These alerts help crews identify the source of the pressurization problem quickly.
Read more about A320 Pressurization System
